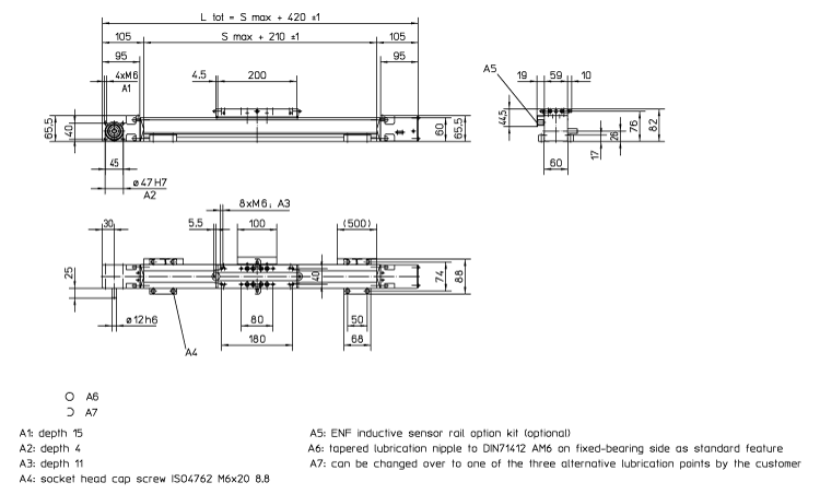
WM06Z120-01540-01960-AS0000-88
Can't find what you're looking for? Go to the Product Selector
直線運動單元, WM60Z, 皮帶 Drive, 滾珠 Guide, 0.05 毫米 Repeatability, 1540 毫米 Stroke, 1960 毫米 Overall Length, 單短滑塊, 120 毫米 Travel Per Shaft Rev, Shaft On Left Side Without Keyway, 2500 Maximum Linear Speed
- 取代
- 中央潤滑所有需潤滑零件
